实验22.2: 自动补油保压回路安装调试
实验目的
会根据自动补油保压回路进行安装调试。
实验内容
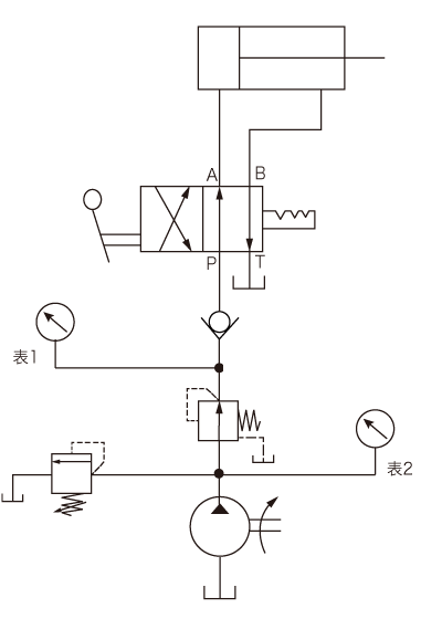
下图为模拟自动补油保压回路的液压回路及其电气控制原理图,实验装置中已经摆放好了该回路所需的液压元器件,请根据回路图完成管道的连接,然后进行上电调试。
设回路中溢流阀调至最紧状态的压力为50bar,为合适的系统压力,液压缸伸出后需保压在40~50bar,故初始时装置中减压阀已调至最紧状态的压力为50bar,压力继电器设定压力值为40bar。

液压回路图

电气控制原理图
实验步骤
1.阅读实验报告。
2.根据液压回路和电气控制原理图完成管路和电路的连接。
3.检查所有管路和电路连接是否正确。
4.通电启动前,逆时针旋转溢流阀手柄调至最松状态。
5.装置通电,运行液压泵电动机 ,顺时针旋转溢流阀手柄至最紧状态。
6.根据实验报告对实验装置进行调试。
7.调试完成后先逆时针旋转溢流阀手柄调至最松状态,然后停止液压泵工作,最后装置断电。
8.观察实验装置在操作过程中运行的结果,填写实验报告。
江苏开放大学
学生实验报告书
| 课程名称: | 液压与气压传动 |
| 实验名称: | 22 单向阀保压回路 |
| 分项实验名称: | 实验22.2: 自动补油保压回路安装调试 |
| 学生姓名: | 张三 |
| 实验日期: | 2020年11月20日 |
| 实验目的: | 会根据自动补油保压回路进行安装调试 |
| 实验内容: | 下图为模拟自动补油保压回路的液压回路及其电气控制原理图,实验装置中已经摆放好了该回路所需的液压元器件,请根据回路图完成管道的连接,然后进行上电调试 |
| 实验步骤: | 1. 阅读实验报告 2. 根据液压回路和电气控制原理图完成管路和电路的连接 3. 检查所有管路和电路连接是否正确 4. 通电启动前,逆时针旋转溢流阀手柄调至最松状态 5. 装置通电,运行液压泵电动机 ,顺时针旋转溢流阀手柄至最紧状态 6. 根据实验报告对实验装置进行调试 7. 调试完成后先逆时针旋转溢流阀手柄调至最松状态,然后停止液压泵工作,最后装置断电 8. 观察实验装置在操作过程中运行的结果,填写实验报告 |
实验数据和结果:
运行结果
1、实现液压缸换向运行的操作
| 操作步骤及内容 | 1YA得电情况 | 2YA得电情况 | 液压缸动作情况 |
|---|---|---|---|
| 步骤1:按一下按钮SB2 | |||
| 步骤2:按一下按钮SB3 | |||
| 步骤3:按一下按钮SB |
2、模拟液压伸出时自动补油保压的操作
| 操作步骤及内容 | 液压继电器情况 | 换向阀情况 |
|---|---|---|
| 步骤1:先操作按钮使液压伸出至终点,然后使换向阀处于中位后 |
|
|
| 步骤2:逆时针旋转减压阀手柄一下 |
|
|
| 步骤3:再逆时针旋转减压阀手柄一下 |
|